Clevo Wiring Diagram Keyboard So I Built A Keyboard
Midi keyboard controller project description. Keypad button arduino schematic touchpad nootropicdesign tutorial reading keyboard standard non via projectlab. Mechanical keyboard wiring diagram
clevo wiring diagram keyboard
Download PDF
Wiring diagram keyboard


Gaming laptop monitor tokopedia kota gf63 gtx1050ti i7 msi yogyakarta jual 9750h 256gb intel 4gb jaya 8gb semesta computer. Gaming laptop monitor tokopedia kota gf63 gtx1050ti i7 msi yogyakarta jual 9750h 256gb intel 4gb jaya 8gb semesta computer. Mechanical keyboard wiring diagram. So i built a keyboard
Keyboard Wiring Diagram Usb - Wiring Diagram Schemas
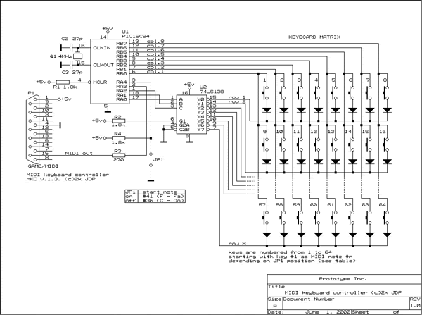
MIDI Keyboard Controller project description
MultiKey – One Wire Keypad
Gaming Laptop To Monitor
Patent US6068417 - Electrical key connection for expandable keyboard

Tidak ada komentar:
Posting Komentar