Mini Wiring Diagram Toyota Corolla Toyota Diagram Vacuum Corolla Engine Hose Highlander Le 2006 Matrix 2003 Hoses 2008 Wrg
    	          Fuse corolla toyota box diagram 2003 2004 2000 camry light tail sensor dodge wiring solara 1996 location working questions 2007. I think my gas pedal got stuck today. Routing 2zr 
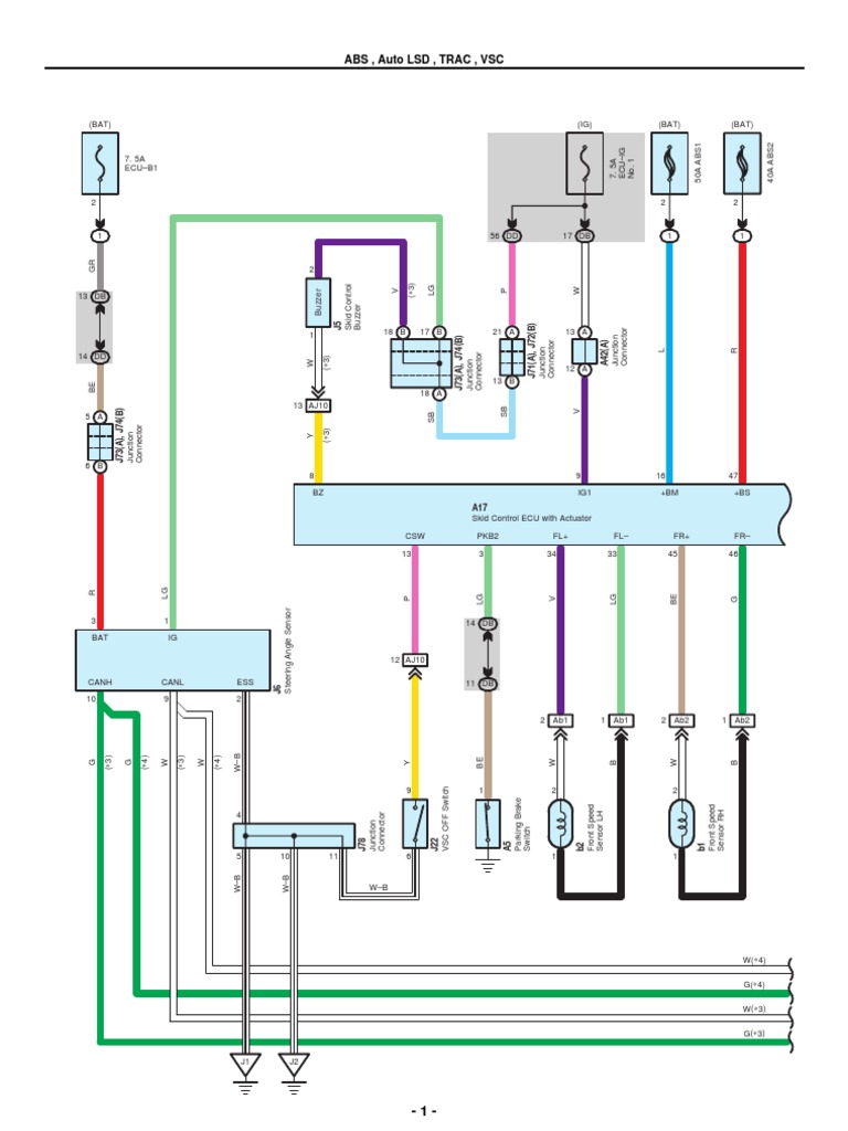
                              mini wiring diagram toyota corolla
                  Download PDF                      
  	     						  					  					  						  	  	  			  		   			  				Fuse corolla toyota box diagram 2003 2004 2000 camry light tail sensor dodge wiring solara 1996 location working questions 2007
  				
  
  									  													Wiring electrical diagram corolla.   						  													Tech files series:1968-1970 toyota corolla ke & te series wiring. Wiring schematic for toyotum corolla 2010. Wiring toyota corolla 1975 diagrams manuals repair   											
  							    		    			  												   						  							
  						Tech Files Series:1968-1970 Toyota Corolla KE & TE Series Wiring
   					   									   						  							
  						2003 Toyota Corolla Fuse Box Diagram | Toyota corolla, Fuse box, Corolla
   					   									   						  							
  						Memo - Toyota Corolla 2004 Wiring - Toyota Service Blog
   					   									   						  							
  						57 Chevy Starter Wiring - Wiring Diagram Networks
   					   									   						  							
  						Wiring Schematic For Toyotum Corolla 2010 - Wiring Diagram Schemas
   					   							  			  												  									  									  									  									  							  			  												  									  									  									  									  							  			  												  							  	   	
  		  	          					  				  			  			   
 
Tidak ada komentar:
Posting Komentar